
KHA 7
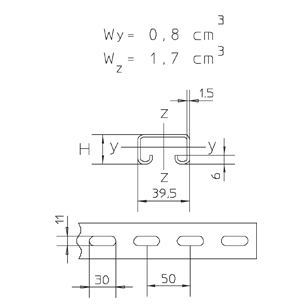
Profile rail 39.5x22x1.50 mm, with continuous perforation 11x30, slot size 18 mm
This article is available made in material No. 1.4571/1.4404 (V4A) stainless steel finish. The producte can be used for fire protection. For technical parameters, see National Technical Test Certificates (abPs).
Continously hot galvanized (Sendzimir process) (DIN EN 10346)
Артикул | Product | height | width | length |
t
material thickness
| weight | |
---|---|---|---|---|---|---|---|
KHA 7-02S | 22 mm | 39.50 mm | 200 mm | 1.50 mm | 0.21 kg | ||
KHA 7-03S | 22 mm | 39.50 mm | 300 mm | 1.50 mm | 0.31 kg | ||
KHA 7-04S | 22 mm | 39.50 mm | 400 mm | 1.50 mm | 0.41 kg | ||
KHA 7-05S | 22 mm | 39.50 mm | 500 mm | 1.50 mm | 0.51 kg | ||
KHA 7-06S | 22 mm | 39.50 mm | 600 mm | 1.50 mm | 0.61 kg | ||
KHA 7-07S | 22 mm | 39.50 mm | 700 mm | 1.50 mm | 0.78 kg | ||
KHA 7-08S | 22 mm | 39.50 mm | 800 mm | 1.50 mm | 0.83 kg | ||
KHA 7-09S | 22 mm | 39.50 mm | 900 mm | 1.50 mm | 1.00 kg | ||
KHA 7-10S | 22 mm | 39.50 mm | 1000 mm | 1.50 mm | 1.05 kg | ||
KHA 7-11S | 22 mm | 39.50 mm | 1100 mm | 1.50 mm | 1.15 kg | ||
KHA 7-12S | 22 mm | 39.50 mm | 1200 mm | 1.50 mm | 1.26 kg | ||
KHA 7-13S | 22 mm | 39.50 mm | 1300 mm | 1.50 mm | 1.36 kg | ||
KHA 7-14S | 22 mm | 39.50 mm | 1400 mm | 1.50 mm | 1.47 kg | ||
KHA 7-15S | 22 mm | 39.50 mm | 1500 mm | 1.50 mm | 1.57 kg | ||
KHA 7-20S | 22 mm | 39.50 mm | 2000 mm | 1.50 mm | 2.20 kg | ||
KHA 7-30S | 22 mm | 39.50 mm | 3000 mm | 1.50 mm | 3.20 kg | ||
KHA 7-60S | 22 mm | 39.50 mm | 6000 mm | 1.50 mm | 6.30 kg |

