
AC
Cable clamp with full-surface vat made of galvanised steel.
Articles with a diameter of 12-56mm are also available in stainless steel finish, material No. 1.4571 / 1.4404 (V4A). The producte can be used for fire protection. For technical parameters, see National Technical Test Certificates (abPs).
Zinc coated
Артикул | Product | diameter |
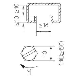
Hmax
Maximum height
| torque |
number of cables
Maximum number of installable cables
| weight | |
---|---|---|---|---|---|---|---|
12 AC | 8-12 mm | 41 mm | 2 Nm | 1 | 2.70 kg/100 | ||
16 AC | 12-16 mm | 46 mm | 2 Nm | 1 | 3.10 kg/100 | ||
20 AC | 16-20 mm | 50 mm | 2 Nm | 1 | 3.50 kg/100 | ||
24 AC | 20-24 mm | 54 mm | 2 Nm | 1 | 3.70 kg/100 | ||
28 AC | 24-28 mm | 58 mm | 2 Nm | 1 | 4.20 kg/100 | ||
32 AC | 28-32 mm | 63 mm | 2 Nm | 1 | 6.40 kg/100 | ||
36 AC | 32-36 mm | 67 mm | 2 Nm | 1 | 6.70 kg/100 | ||
40 AC | 36-40 mm | 71 mm | 2 Nm | 1 | 7.50 kg/100 | ||
44 AC | 40-44 mm | 81 mm | 4 Nm | 1 | 9.60 kg/100 | ||
48 AC | 44-48 mm | 85 mm | 4 Nm | 1 | 9.80 kg/100 | ||
52 AC | 48-52 mm | 90 mm | 4 Nm | 1 | 10.70 kg/100 | ||
56 AC | 52-56 mm | 94 mm | 4 Nm | 1 | 11.50 kg/100 | ||
60 AC | 56-60 mm | 98 mm | 4 Nm | 1 | 15.10 kg/100 | ||
64 AC | 60-64 mm | 102 mm | 4 Nm | 1 | 15.90 kg/100 | ||
70 AC | 64-70 mm | 109 mm | 4 Nm | 1 | 16.90 kg/100 | ||
76 AC | 70-76 mm | 113 mm | 4 Nm | 1 | 23.30 kg/100 | ||
82 AC | 76-82 mm | 119 mm | 4 Nm | 1 | 25.80 kg/100 | ||
88 AC | 82-88 mm | 125 mm | 4 Nm | 1 | 27.30 kg/100 | ||
94 AC | 88-94 mm | 131 mm | 4 Nm | 1 | 29.60 kg/100 | ||
100 AC | 94-100 mm | 137 mm | 4 Nm | 1 | 32 kg/100 | ||
110 AC | 100-110 mm | 157 mm | 4 Nm | 1 | 35 kg/100 | ||
120 AC | 110-120 mm | 167 mm | 4 Nm | 1 | 37.40 kg/100 |
