
UBDHB350 2R
hollow space floor box consisting of a Sendzimir hot-dip galvanized sheet steel box with all-round bendable side walls including grounding clamp for a subsonic noise free and height independent assembly. Usable as pull- and installation box, with one opening for insertion of a shuttering tube that will be replaced with a round plastic or high-grade steel assembly unit during final assembly.
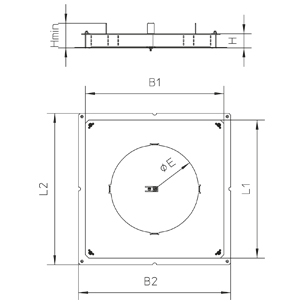
Артикул | Product | height |
Hmin
Minimum installation height
| width | width | length | length |
E
fitting dimension
|
mounting box
Maximum number of installable device casings.
| weight | Включает | |
---|---|---|---|---|---|---|---|---|---|---|---|---|
UBDHB350 28-259R | 31 mm | 63 mm | 410 mm | 450 mm | 410 mm | 450 mm | 260 mm | double | 3.80 kg | show all inclusive accessoires | ||
UBDHB350 38-259R | 41 mm | 73 mm | 410 mm | 450 mm | 410 mm | 450 mm | 260 mm | double | 3.90 kg | show all inclusive accessoires | ||
UBDHB350 48-259R | 51 mm | 83 mm | 410 mm | 450 mm | 410 mm | 450 mm | 260 mm | double | 4.00 kg | show all inclusive accessoires |
